
| [PSM] 안전운전지침 및 절차 |
1 안전운전지침
안전운전 지침서는 여러 형태의 운전이나 가동정지, 운전개시 절차를 규정하는 것으로 설비의 효율적이고 안전한 운전을 위해 근로자들이 알기 쉽게 작성하여야 함
❍ 업무형태별, 단위공정별, 장치설비별로 안전운전절차서 작성·운영하여야 함
❍ 안전운전절차서 작성 시 작업안전분석 기법 적용을 검토할 필요가 있음
❍ 안전운전절차서에 표시된 기기번호와 공정안전자료의 각 설비번호 등이 일치하여야 함
❍ 연동설비가 있는 경우 연동설비 바이패스 절차서를 작성·시행하여야함
❍ 변경관리, 사고발생 시에는 안전운전절차서의 작성 또는 변경 필요성을 검토한 후 제·개정하여야 함
❍ 안전운전절차서 변경시에는 변경관리 절차를 거쳐야 함
❍ 절차서 제·개정 시 구성원 모두가 숙지(공유)할 수 있도록 반복적으로 교육*을 실시하고, 제어실·현장 대기실 등에 사본을 비치하여야 하며, 교육기록을 보존하여야 함
* 정기교육․특별교육․매일 미팅 시 등 수시교육 등
❍ 흐름도(Block Diagram), 사진, 그림 등을 사용하여 근로자들이 쉽게 이해할 수 있도록 작성하여야 함
❍ 부서장은 주기적으로 안전운전절차서에 대한 신뢰성을 검증하고 보완하여야 하고, 현장에서 안전운전절차서를 준수하는지 주기적으로 확인하여야 함
* 안전보건총괄책임자는 매년 현재의 운전절차가 현재의 설비와 일치되게 작성 되었고, 안전하게 운전할 수 있는 절차임을 검토하여 확인하고, 그 결과를 서면으로 기록하여 보관하여야 함
❍ 제안제도 등을 통한 지속적인 보완(Revision)으로 절차서를 최적화(운전원, 엔지니어 등의 풍부한 운전경험이 충분히 반영될 수 있는 체계 구축, 운전원의 의견을 충분히 반영)하여야 함
❍ 운전원의 안전의식을 고취를 위해 과거 사고 이력, 주요 작업단계별 주의사항 등을 안전운전절차서에 표시할 필요가 있음
2 PSM 평가 착안사항 - 안전운전지침과 절차
공정안전보고서의 제출‧심사‧확인 및 이행상태평가 등에 관한 규정(고용노동부 고시) 제31조 각호의 내용이 모두 포함되어야 함.
1. 안전운전절차서 작성지침이 산업안전보건법령, 동 고시 및 공단 기술지침을 참조하여 적절하게 작성되어 있는가?
‣ 안전운전절차서 작성 지침의 적정성에 대한 확인
① 안전운전절차서 작성지침이 존재
② 운전절차서 작성지침이 적절하게 작성
③ 운전부서장은 매년 운전절차를 검토하고 그 결과를 서면으로 기록하여 보관하고 있음
④ 목록화하여 관리하는 것을 권고 (누락된 항목이 있는지 확인 가능)
2. 운전절차서는 취급물질의 물성과 유해·위험성, 누출 예방조치, 보호구착용법, 노출시 조치 요령 및 절차, 안전설비계통의 기능·운전방법·절차등의 내용이 포함되어 있는가?
‣ 안전운전을 위해 유의해야 할 사항의 기술여부 확인
① 운전공정에 취급되는 화학물질의 물성과 유해․위험성
② 위험물질 누출 예방을 위하여 취해야 할 사항
③ 위험물 누출시 각종 개인 보호구 착용 방법
④ 작업자가 위험물에 접촉되거나 흡입하였을 때 취해야 할 행동 요령과 절차
3. 운전절차서는 최초의 시운전, 정상운전, 비상 시 운전, 정상적인 운전정지, 비상정지, 정비 후 운전개시, 운전범위를 벗어난 경우 등을 구체적으로 포함하고 있는가?
‣ 안전운전절차서는 다음의 사항이 규정되어 있는 지 확인
① 시운전(Pre-Start-up)절차 및 가동절차(정비 후 운전 포함)
② 정상운전절차(Normal Operation)
③ 정상 가동정지절차(Normal Shut-down)
④ 비상 운전정지절차(Emergency Shut-Down)
⑤ 운전범위를 벗어났을 경우(Deviation) 운전절차
4. 운전절차서는 운전원이 쉽게 이해할 수 있도록 작성되어 있는가?
‣ 안전운전절차서는 운전원이 쉽게 이해할 수 있도록 작성하였는지 여부
- 신입사원도 활용가능 수준으로 명확하고 구체적으로 작성 여부
- 운전자의 담당설비(기기번호), 운전분야 및 운전자의 운전위치 기술
- 운전절차(Procedure)는 작업자 혼동이 없도록 명료하게 작성 여부
- 그림 및 사진자료 활용 여부
5. 안전운전 절차서는 공정안전자료와 일치하는가?
안전운전 절차서에 언급된 기기번호와 공정안전자료상의 각종 설비 목록에 명시된 설비번호의 일치여부 확인
- 공정배관장치도(P&ID) 상의 특정설비를 임의로 지적한 후 안전운전절차서 상의 기기번호를 확인하여 일치여부 확인
6. 연동설비의 바이패스 절차를 작성·시행하고 있는가?
- 안전운전지침서에 인터록 By-pass 내용 확인
- 인터록 표준절차서에서 운전원 행동요령 내용 확인
- 과거의 By-pass 기록 확인
7. 변경요소관리등 사유 발생시 지침과 절차의 수정은 이루어 지고 있는가?
- 변경관리 실적연동하여 운전절차서 변경여부 확인
8. 안전운전지침과 절차 변경시 근로자 교육은 적절히 이루어 지는가?
- 운전절차서 변경시 근로자 교육실시 여부 확인
| PSM 고시 제31조(안전운전 지침서) 규칙 제130조의2 제3호 가목의 안전운전 지침서에는 다음 각 호의 사항이 포함되어야한다. 1. 최초의 시운전 2. 정상운전 3. 비상시 운전 4. 정상적인 운전 정지 5. 비상정지 6. 정비 후 운전 개시 7. 운전범위를 벗어났을 경우 조치 절차 8. 화학물질의 물성과 유해․위험성 9. 위험물질 누출 예방 조치 10. 개인보호구 착용방법 11. 위험물질에 폭로시의 조치요령과 절차 12. 안전설비 계통의 기능․운전방법 및 절차 등 |
3 PSM 점검 주요 지적사항- 안전운전지침과 절차
❍ 공정안전보고서의 제출·심사·확인 및 이행상태평가 등에 관한 규정(고용노동부고시)의 포함되어야 할 내용 누락
* 안전운전절차서에 취급 화학물질의 유해․위험성, 위험물질 누출 예방을 위해 취해야 할 사항, 위험물 누출시 각종 개인 보호구 착용방법, 흡입시 취해야 할 행동요령과 절차, 안전설비 계통의 기능과 운전방법 및 절차 등
❍ 현장에서 조작해야 하는 설비 명칭(기기 번호 등)을 안전운전절차서에 부여하지 않아 신규근로자가 이해할 수 없도록 안전운전 절차서를 작성
❍ 안전운전절차 재․개정시 변경관리 절차 미준수
❍ 인터락 By-Pass 절차서 미작성 및 By-Pass 대장 미관리
❍ 설비 변경시 안전운전절차서 미작성 및 개정 미실시
❍ 운전절차서 변경 내용에 대한 근로자 교육 미실시 또는 교육 내용 등이 미흡
❍ 신규자 등 운전경험이 없는 운전원은 이해가 불가능하도록 명확하지 않게 안전운전절차서를 작성
4 인터락 바이패스 (Interlock by-pass) 기록지
일반적으로 인터락이란 화재폭발 등을 제어하기 위해 지정된 제어값 수준을 벗어날 경우 Pump를 정지 시키거나, Valve를 차단하거나, 반응억제제를 공급하는 등의 자동제어 설비를 말합니다. 인터락 설비의 오동작이 발생하였거나 불가피하게 인터락을 임시로 해제하여 운전을 해야 하는 경우 '인터락 바이패스 (Interlock by-pass) 기록지'에 인터락 해제 시간, 복귀시간 및 해제 사유 등을 기입하여 관리해야 합니다. 이때 주의해야 할 사항은 반드시 변경관리 수준과 인터락 바이패스 (Interlock by-pass) 기록지로 관리해도 되는 수준을 정해야 합니다. 무분별한 인터락 바이패스 (Interlock by-pass)의 사용은 대형 화학사고를 유발할 수 있습니다.

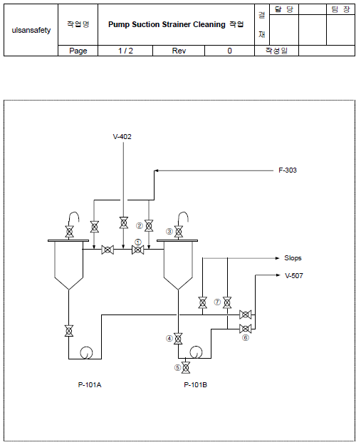
5 안전운전지침서 예시
정상운전표준 예시

Strainer Cleaning 작업 표준
(그림, 도면을 이용하여 근로자가 알기 쉽게!)
![]() |
![]() |
안전운전절차서는 PSM 점검을 받기 위해 책장에 보관하는 문서가 아닙니다.
우리의 안전을 위해 근로자가 사용하는 운전매뉴얼 입니다.
근로자의 입장에서 작성되고, 신입사원이 이해하여 운전할 수 있도록 작성되어야 합니다.
'S-안전 > 시스템 안전 (공정안전)' 카테고리의 다른 글
| ISO 45001 Hệ thống quản lý sức khỏe - Chứng nhận và thủ tục (0) | 2022.10.29 |
|---|---|
| PSM (공정안전보고서) 비기너 과정 교재 - HSE EDU (2) | 2020.11.10 |
| ISO 45001 안전보건경영시스템-인증과 절차 (1) | 2020.09.04 |
| [PSM] 공정 위험성평가 (3) | 2020.06.16 |
| ISO 45001과 KOSHA MS 차이점 (ISO 9001/ISO 14001/ISO 27001/ISO 22001/ISO 22716) (1) | 2020.06.04 |


